유연하고 쉬운-자기 센서 통합-
와이어 리드가 있는 리드 스위치는 광범위한 감지 응용 분야에 탁월한 유연성과 설치 용이성을 제공합니다.
연장된 와이어 리드를 사용하면 이 자기 센서를 제어 패널, 자동화 시스템 및 경보 장치에 통합하여 신뢰할 수 있는 정확도로 원격 자기 감지 기능을 제공할 수 있습니다.
스마트 홈 보안, 산업 제어, IoT{0}} 기반 자동화 솔루션에 이상적입니다.
밀봉된 유리관에 들어 있는 센서는 -장기적인 내구성, 안정성, 먼지, 습기, 산화 방지 기능을 보장하므로 실내 및 실외 모두에 적합합니다.
주요 기능 및 이점
- 유연한 설치:확장된 와이어 리드를 사용하면 기존 시스템 및 원격 장착 위치에 쉽게 연결할 수 있습니다.
- 안정적인 자기 감지:문, 창문 및 산업 기계에 대한 정확한 열림/닫힘 감지 기능을 제공합니다.
- 컴팩트하고 내구성이 뛰어난 디자인:환경 손상으로부터 보호하기 위해 밀봉되어 있습니다.
- 다양한 용도:자동화 시스템, 자동 판매기, 스마트 홈 경보 시스템 및 출입 통제 장치에 이상적입니다.
- 맞춤형 구성:평상시 열림(NO), 평상시 닫힘(NC) 또는 전환 유형으로 제공되며 와이어 방향과 길이를 사용자 정의할 수 있습니다.
|
적합한 센서 추천 및 맞춤형 솔루션을 원하시면 당사에 문의하세요. |
|||
|
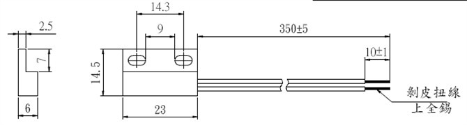
GPS-23 시리즈 |
왼쪽/오른쪽 와이어 방향에 사용 가능 |
|
|
|
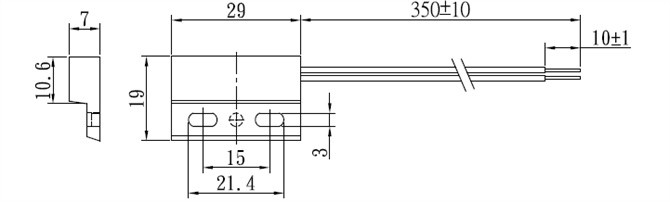
GPS-30 시리즈 |
왼쪽/오른쪽 와이어 방향에 사용 가능 |
|
|
|
GPS-25 시리즈 |
|
|
|
|
GPS-32 시리즈 |
|
|
|
|
GPS-01 시리즈 |
|
시리즈 A: Φ5.6*30mm 시리즈 B: Φ6*30mm 시리즈 D: Φ6*25mm 시리즈 E: Φ4*18mm 시리즈 F: Φ4*19mm 시리즈 G: Φ6.1*25.5mm |
|
|
Z1-RS-PCB 시리즈 |
|
|
|
|
작동 온도 |
표준 제품의 경우 0~80도, 더 높거나 낮은 온도에 대한 사용자 정의 가능 |
||
|
스위치 유형 |
표준품의 경우 상시 개방형, NC용 맞춤 제작 및 전환 가능 여부를 알려주세요. |
||
|
(회로) |
|
||
|
전자적 매개변수 |
스위치 유형 |
평상시 열림 |
|
|
전력 등급 |
10W |
||
|
스위칭 전압 |
100VDC |
||
|
차단 전압 |
150VDC |
||
|
스위칭 전류 |
0.5A |
||
|
인증 |
ROHS, REACH SVHC, UL 인증을 받은 재료를 선택할 수 있습니다. |
||
제조 및 품질 참고 사항
- 최대 자기 감도를 위해 조립 중에 리드 요소가 올바르게 정렬되었는지 확인하세요.
- 손상을 방지하려면 유리 캡슐에 기계적 응력을 가하지 마십시오.
- 납땜 팁 온도를 350도 미만으로 유지하고 최대 접촉 시간은 3초입니다.
- 각 센서는 자기 감도 및 품질 일관성을 위해 자동 테스트를 거칩니다.
- GPS-23 및 GPS-30 시리즈의 경우 왼쪽 및 오른쪽 와이어 방향 모두를 사용하여 좁은 공간에 유연하게 장착할 수 있습니다.
응용
- 가정 및 사무실 도어 경보 시스템
- 스마트 홈 자기 도어 센서
- 산업 자동화 및 기계 위치 감지
- 접근 제어 및 보안 시스템
- IoT 장치 및 스마트 모니터링 모듈
- 자동 판매기 및 의료 기기 안전 센서
와이어 리드가 있는 리드 스위치를 선택하는 이유는 무엇입니까?
- 표준 사용 시 1,000만 회 이상의 스위칭 주기가 넘는 긴 수명 -을 위해 설계되었습니다.
- 손쉬운 시스템 통합을 위한 다양한 전선 길이 및 방향 옵션.
- 진동이 심한 환경에서도 높은 신뢰성과 안정적인 성능을 제공합니다.-
- OEM/ODM 요구사항에 맞게 완전히 맞춤설정 가능한 사양 및 패키징입니다.
- 안전 및 품질 보증을 위해 엄격한 ROHS, REACH 및 UL 규정을 준수합니다.
FAQ
Q1: 이 리드 스위치를 특정 전선 길이나 하우징 재질에 맞게 맞춤 설정할 수 있습니까?
예. 우리는 귀하의 설치 요구 사항에 맞는 다양한 와이어 게이지, 길이 및 재료 옵션을 제공합니다.
Q2: 표준 리드 스위치와 어떻게 다릅니까?
이 시리즈는 와이어-리드 유연성을 갖추고 있어 PCB를 직접 장착하지 않고도 원격 또는 밀폐된 공간에 쉽게 설치할 수 있습니다.
Q3: 센서에는 어떤 종류의 보호 기능이 있습니까?
밀봉된 유리관은 산화, 습기 및 먼지 침입으로부터 내부 접점을 보호합니다.
Q4: 이 모델은 자동화 시스템에 적합합니까?
전적으로. 산업 자동화, 스마트 홈 센서 및 경보 제어 장치에 널리 사용됩니다.
Q5: 극성이나 배선 방향을 변경할 수 있나요?
예. 배선 방향을 왼쪽, 오른쪽 모두 선택할 수 있어 유연한 배선과 장착 편의성을 제공합니다.
문의하기
다음 보안 또는 자동화 프로젝트를 위한 와이어 리드가 있는 안정적인 자기 리드 스위치를 찾고 계십니까?
전문가의 권장 사항이나 맞춤형 요구 사항에 대해 논의하려면 지금 당사에 문의하십시오.
우리는 빠른 샘플링, 안정적인 배송 및 완전한 OEM/ODM 지원을 제공합니다.
인기 탭: 와이어 리드가 있는 리드 센서, 중국 와이어 리드가 있는 리드 센서 제조업체, 공급업체, 공장






















